Электромагнит для резьбового картриджного клапана

BYM10-50R-01D

DC 12V
DC 24V

Другие могут быть кастомизированы

Особенности:

  • Применимо к электрогидравлическим резьбовым картриджным клапанам серии SVS-50
  • Ребтовое соединение, катушка может быть заменена без остановки
  • Оснащено ручным экстренным устройством
  • Внутреннее отверстие катушки φ 19. Полностью пластиковый процесс уплотнения

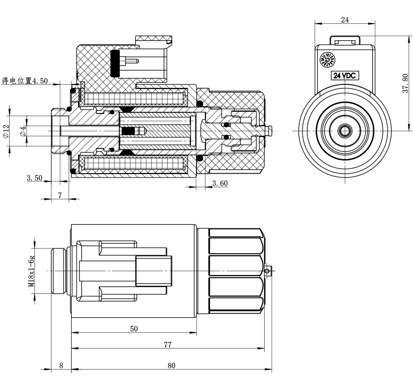
Габариты и размеры соединений:

технические параметры

Температура окружающей среды

-25~50

Диапазон колебаний напряжения

%

85~110

Номинальная мощность

W

25

Номинальный ход

mm

2.5

Полный ход

mm

≥ 3.6

Рабочее давление масла

Mpa

≤35

Степень защиты

IP67

Рабочая частота

T/h

12000

Продолжительность включения питания

%

100

Класс изоляции

H(180)

Режим электрического подключения

DT04-2P

 

Важные моменты:

1. Катушка не должна быть включена отдельно!
2. Катушки, не имеющие взрывозащиты, не должны использоваться во взрывоопасных средах!
3. После установки катушки ее необходимо надежно заземлить, в противном случае существует риск поражения электрическим током!

Характеристическая кривая F-S:

Вернуться назад
Go back