BYG09-16-01MG
类属于: BYG比例阀用电磁铁
DC 12V 1.9A
DC 24V 0.95A
产品特点:
- 适用于电液比例螺纹插装阀
- 螺纹连接,线圈可实现免停机更换
- 配备手动调整装置
- 线圈内孔 φ13,全塑封工艺
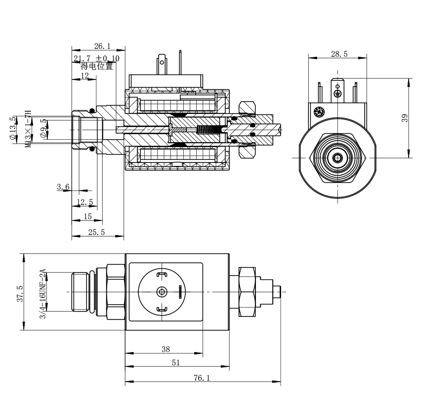
外形及连接尺寸:
|
技术参数 /technical parameter |
|||
|
环境温度 Ambient temperature |
℃ |
-25~50 |
|
|
额定电压 Rated voltage |
VDC |
12 |
24 |
|
额定电流 Rated current |
A |
1.9 |
0.95 |
|
最大电流 Maximum current |
A |
2.26 |
20.4 |
|
额定电阻 Rated resistance |
Ω |
5.3 |
20.4 |
|
额定行程 Rated stroke |
mm |
2.6 |
|
|
全行程 Full stroke |
mm |
3.6 |
|
|
额定推力 Rated thrust |
N |
50 |
|
|
力滞环 Force hysteresis |
% |
≤4 |
|
|
电流滞环 Current hysteresis |
% |
≤4 |
|
|
重复精度 Repetition accuracy |
% |
≤1 |
|
|
工作油压 Working oil pressure |
MPa |
≤21 |
|
|
防护等级 Degree of protection |
IP65 |
||
|
通电持续率 Power on duration |
% |
100 |
|
|
绝缘等级 Insulation class |
H(180) |
||
|
电气连接方式 Electrical connection mode |
DIN43650 |
||
注意事项:
1.首次使用或长期停机后启用,请先将系统内空气排净!
2.可任意方向安装,建议水平安装。
力- 位移特性曲线:
样本数据来自实验室环境,仅供参考。如果贵公司需要最新数据或有特殊需求,请联系博业液压工程师。
返 回
简体中文
English
Русский