BYT012-13-01
类属于: BYT螺纹插装阀用导磁套
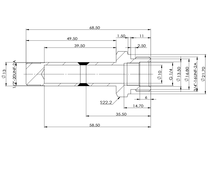
外形及连接尺寸:
|
技术参数/technical parameter |
|||||
|
工作油压 Working oil pressure |
MPa |
≤21 |
六角尺寸 Hexagon size |
mm |
22.2 |
样本数据来自实验室环境,仅供参考。如果贵公司需要最新数据或有特殊需求,请联系博业液压工程师。
返 回
简体中文
English
Русский