BYZ11-50-01A
类属于: BYZ直流湿式阀用电磁铁
DC 24V
DC 220V
产品特点:
- 适用于6通径液压电磁换向阀
- 螺纹连接,线圈可实现免停机更换
- 配备手动应急装置
- 线圈内孔 φ23
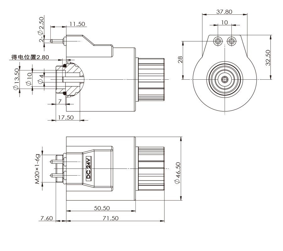
外形及连接尺寸:
|
技术参数/technical parameter |
||
|
环境温度 Ambient temperature |
℃ |
-25~50 |
|
电压波动范围 Voltage fluctuation range |
% |
85~110 |
|
额定功率 Rated power |
W |
30 |
|
额定行程 Rated stroke |
mm |
3 |
|
全行程 Full stroke |
mm |
≥6.1 |
|
工作油压 Working oil pressure |
Mpa |
≤21 |
|
防护等级 Degree of protection |
IP65 |
|
|
操作频率 Operating frequency |
T/h |
12000 |
|
通电持续率 Power on duration |
% |
100 |
|
绝缘等级 Insulation class |
H(180) |
|
|
电气连接方式 Electrical connection mode |
接线盒式 |
|
注意事项:
1.线圈不得单独通电使用,有烧损风险!
2.非防爆线圈,不得使用在有爆炸危险的介质中!
3.线圈安装后,必须接地可靠,否则有触电危险!
力- 位移特性曲线:
样本数据来自实验室环境,仅供参考。如果贵公司需要最新数据或有特殊需求,请联系博业液压工程师。
返 回
简体中文
English
Русский