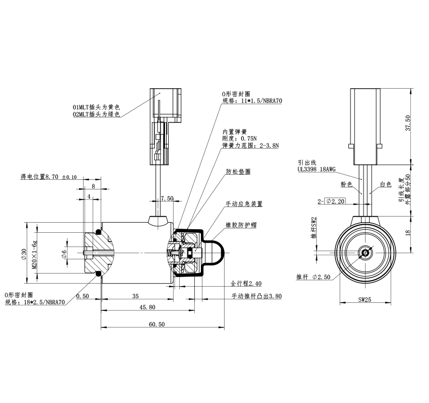
BYS16-30-01MLT/02MLT
Belongs to category: Special product
DC 12V
DC 24V
Features:
- Applicable to high-speed on-off valves
- Comes with return spring
- Built-in manual emergency device
- Coil full plastic sealing process
Outline and connection dimensions:
|
technical parameter |
||
|
Ambient temperature |
℃ |
-25~50 |
|
Voltage fluctuation range |
% |
85~110 |
|
Rated power |
W |
17 |
|
Rated stroke |
mm |
0.5 |
|
Full stroke |
mm |
≥ 2.4 |
|
Working oil pressure |
Mpa |
≤ 10 |
|
Degree of protection |
IP67 |
|
|
Operating frequency |
T/h |
12000 |
|
Power on duration |
% |
100 |
|
Insulation class |
H(180) |
|
|
Electrical connection mode |
双引线 |
|
F-S characteristic curve:
The sample data comes from the laboratory environment and is only for reference. If your company needs the latest data or has special needs, please contact Boye hydraulic engineer.
Go back
简体中文
English
Русский